分類

特 點 Features
● 兩級共模加差模高性能電源濾波器。Two stage common mode plus
differential mode high performance power filter.
● 泄漏電流小。The leakage current is small.
● 底板式安裝,簡單方便。Bottom plate installation, simple and convenient.
應 用 Application
● 大多數數字設備(尤其開關電源),可用來抑制連續或間隙性脈沖干擾,尤其適用于低阻抗負載場合。
性能指標 Characteristcs
額定電壓Rated voltage | 250VAC,50/60Hz;250VDC |
工作頻率 Operating Frequency | DC~400Hz |
額定電流Rated curren | 1A~100A@40℃max. |
耐壓試驗 (60s) Test Voltage | 1500VDC(線-線Line - line) 1500VAC(線-地Line - ground) 3000VDC/2S |
氣候類別 Climate category | 25/100/21 |
產品型號表 Filter Table
型號 model | 接線方式:輸入輸出 | 額定電流A Rated curren | MAX泄漏電流mA leakage current | 放電電阻KΩ resistance | 電路圖Fig. Circuit diagram | 外形尺寸Fig. Outline Drawing | ||
|
|
| ||||||
YX-213-1- | TT | 1 | 0.5 | 1000 | 1 | 1 | ||
YX-213-6- | TT | 6 | 0.5 | 1000 | 1 | 1 | ||
YX-213-10- | SS | 10 | 0.5 | 1000 | 1 | 2 | ||
YX-223-15- | WW | SS | 15 | 0.5 | 1000 | 2 | 3 | |
YX-223-20- | WW | SS | 20 | 0.5 | 1000 | 2 | 3 | |
YX-223-30- | WW | SS | 30 | 0.5 | 1000 | 2 | 3 | |
YX-223-40- | SS | 40 | 0.8 | 680 | 2 | 3 | ||
YX-223-100- | SS | 100 | 1.0 | 1000 | 2 | 3 | ||
電原理圖Typical Circuit Diagram

Fig.1 Fig.2
插入損耗 Insertion LOSS in dB (50Ω測量系統,IEC/CISPR No.17號出版物)

1A~6A 10A 15A

20A 30A 40A


100A
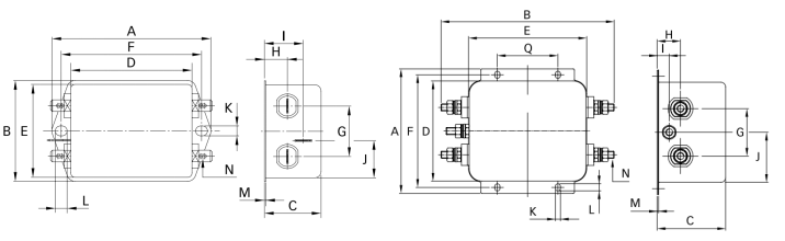
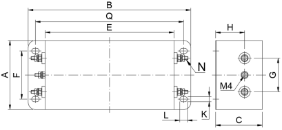
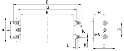
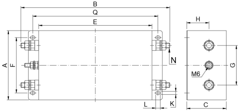
外形尺寸圖 Outline Drawing : mm

Fig.1 (1A~6A) Fig.2 (10A)

Fig.3 (15~30A)

Fig.4 (40A)

Fig.5 (100A)
外形尺寸Fig. | A | B | C | D | E | F | G | H | I | J | K | L | M | N |
1 (1A) | 85 | 54 | 30.3 | 64.8 | 49.8 | 75 | 27 | 12.3 | 20.8 | 19.9 | 5.3 | 6.3 | 0.7 | 6.3×0.8 |
1 (6A) | 113.5 | 57.5 | 45.4 | 94 | 56 | 103 | 25 | 12.4 | 32.4 | 15.5 | 4.4 | 6 | 0.7 | 6.3×0.8 |
2 (10A) | 105 | 134.5 | 38.5 | 84 | 98.5 | 95.3 | 38 | 19 | 19 | 42 | 6.5 | 4.5 | 1 | M4 |
3 (15~30A) | 86 | 202 | 58 | 160 | 60 | 42 | 36 | 6.4 | 9.4 | 1 | M4 | |||
4 (40A) | 100 | 280 | 90 | 220 | 70 | 58 | 50 | 6.4 | 9.4 | 1 | M6 | |||
5 (100A) | 125 | 280 | 90 | 220 | 96 | 81 | 50 | 6.4 | 9.4 | 1 | M8 |
CopyRight ? 2025 常州市宇軒電子有限公司 版權所有 蘇ICP備2022034447號-1 網站地圖 所有標簽 免責聲明 中環互聯網常州網站建設